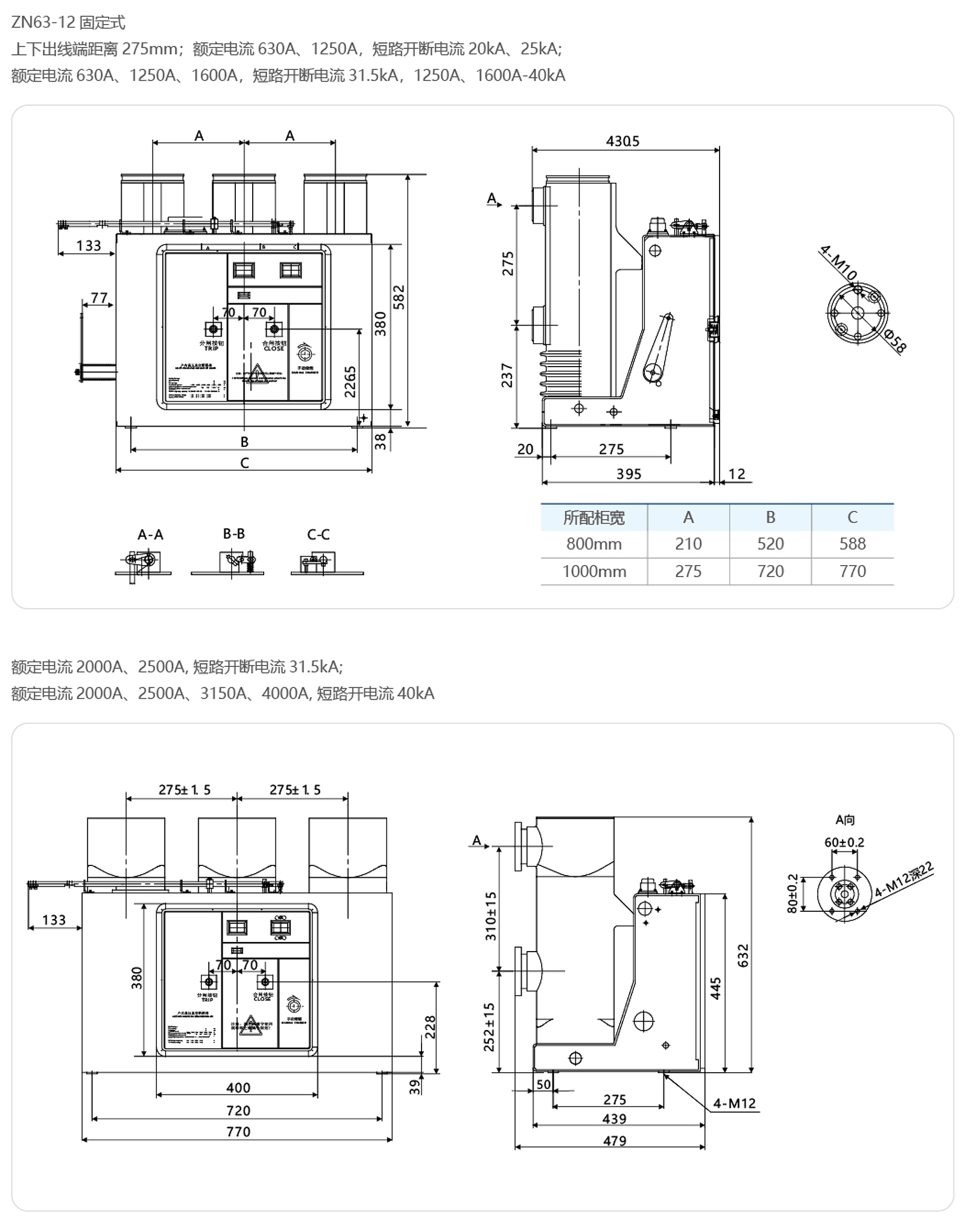
ZN63-12 系列户内高压真空断路器

品质和信誉是公司形象的重要部分,我公司坚持以技术和产品为依托,以服务为后盾“客户至上 服务至上 信誉至上 效率至上”是我们的服务宗旨,“为您想的远 做的全 我用心 您放心”是我们的服务目标。在不断为用户提供高质量产品的同时,更以完善的服务确立服务的新标准,让用户永无后顾之忧!



立即咨询
ZN63-12 系列户内高压真空断路器


138-6878-8853

(7 x 24 hours)